Cat1無線溫度變送器
一款低功耗、具有無線通訊功能的智能儀表,以先進 的工業級 MCU 為核心,高品質的傳感器為采集前端,結合物聯網 CAT1 數據模塊,及中國電 信 4G 網絡,實現現場儀表數據到云端的無線傳輸。
一、產品介紹:
Cat1智能無線溫度變送器是一款低功耗、具有無線通訊功能的智能儀表,以先進 的工業級 MCU 為核心,高品質的傳感器為采集前端,結合物聯網 CAT1 數據模塊,及中國電 信 4G 網絡,實現現場儀表數據到云端的無線傳輸。采用定時傳輸和閾值報警二種方式,異常壓力及時發現,保證了管道的安 全性。該產品采用工業型防爆殼體,在傳感器處理方面采用隔膜式擴散硅芯體,進行多點溫 度補償, 實現穩定的數據采集,保證數據的可靠性、準確性。 帶本地 LCD 數字顯示表頭,零點、量程調試方便;反向極性保護及限流 保護;抗雷擊、抗沖擊;表體安全防爆;體積小、外形美觀、性價比高;高精度、高穩定性、 高可靠性。
二、產品特點:
● 4G 網絡適用地域廣。
● 采用五位超高分辨率液晶顯示屏顯示。
● 超大尺寸顯示屏(42*30),可同時顯示環境溫度。
● 天線形式可選擇:外置和一體,對于信號弱的地方可選擇外置天線。
● 內置低功耗電路和 9900mAh 大容量鋰電池電池。
● 定時上報和觸發上報,可選配 GPS 定位模塊,實現精準定位。
● 閾值上、下限報警及上上限和下下限報警功能;及電池容量報警提示功能。
● 聯網自動校時,斷網自動重連,帶數據緩存,失敗數據重發功能。
● 無需按鍵操作,可使用紅外遙控器本地操作儀表,避免現場錯誤操作。
● 常見設置均可通過服務器發送設置參數,無需現場設置參數。
● 具有防震、防潮功能,適應野外環境。
● 具有完善的故障自檢功能。
三、技術參數:
項目內容 | 參數 | 備注 |
型號 | GJM-201 | 可定制型號 |
量程 | -50-~-600 (℃) | -50..0...5.0.. 10..600℃任意定制 |
測溫元件 | Pt100鉑電阻 | 可定制 |
精度 | 0.5 | 可定制0.15, 0.25高精度價格另議 |
供電電源 | 3. 6V鋰電池 | 可用3-5年,根據采集頻率決定,3.6V鋰電池或24V電源可選,可選用雙供電 |
現場顯示 | LCD 超低功耗顯示器 | |
按鍵 | 校零,開關,采集頻率切換 | |
重量 | 1.6kg | 以實物為準 |
電磁兼容 | GB/T 17626. 2/4-2006 | 抗電磁干擾 |
環境溫度 | -30°C~+85℃ | 高溫可定制 |
感溫元件材質 | 不銹鋼304 | 可定制316L |
相對濕度 | 0%~ -95% | |
零點溫度漂移 | 土0.015%FS/℃ | |
靈敏度溫度漂移 | 士0.015%℃
| |
采樣速率 | >2分鐘/次 | |
上發速率 | 1-1440分鐘可設 | |
長期穩定性 | 土0.5%FS/年 | 高精度可定制 |
振動 | ≤3g/10Hz... 150Hz ( IEC60068-2-6-2007) | |
傳輸方式 | 4G | NB/GPRS/4G/LoRa可定制 |
傳輸距離 | 取決于4G基站 | |
適用介質 | 油、氣、水等液體 | |
防爆等級 | Exd II BT4 | |
安裝方式 | 國標M20*1.5外螺紋 | 螺紋規格可定制G1/2, G1/4. 1/4NPT等 |
天線形式 | 外置一體式 | 內置、外置(對于信號弱的地方可選擇外置分體天線) |
殼體材質 | 鑄鋁防爆殼體 | 可定制不銹鋼外殼 |
殼體顏色 | 默認軍綠色通磨 | 1000臺以.上顏色可定制 |
四、技術優勢:
● 采用低功耗處理器
● 內嵌Cat1網通信模組,或LORA、NB
● 內嵌精密時鐘、自動校時,與 Internet 時間同步
● 高精度內部 AD 檢測溫度變化,內置溫度補償程序,對溫度變化不敏感。
● 專用上位機軟件設置參數
● 內嵌看門狗,不死機
● 支持深度休眠,按鍵喚醒功能
● 支持數據存儲功能
● 具有數據存儲,數據補發功能
● 鋰離子電池供電
● 具有電池電量低短信報警功能
● 外殼防護等級:IP65
● 具有防反接、防浪涌、防震、防潮、防雨、防有害氣體功能。
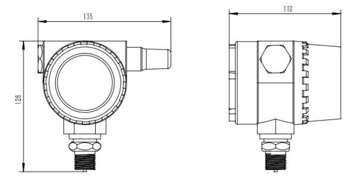
五、尺寸:
地質監測儀表
活塞式壓力計/壓力源
- GM系列活塞式壓力計
- 臺式液體壓力源
- 臺式氣體壓力源
- 氣體活塞壓力計
- 活塞式壓力真空計
- YS改良型活塞壓力計
- 活塞式壓力計
- 電動微壓標準器
- 氣體減壓器校驗儀
- 氧氣表壓力表兩用校驗器
- 壓力表校驗器校驗儀
- 活塞壓力計數字顯示系統
- 空盒氣壓表檢定裝置
- 電動微壓源
- 全自動液體壓力源
- 管道試壓壓力天平
- 浮球壓力計
- 全自動活塞壓力計
- 便攜式液體壓力源
- 電動壓力源
液位儀表
- 80G超高溫雷達物位計
- 電廠專用四氟高頻雷達物位計
- 側裝磁翻板液位計
- 雷達水位計
- 26G油罐專用雷達液位計
- 26G強腐蝕雷達液位計
- 26G高頻雷達物位計
- 80G調頻雷達液位計
- 80G桿式射頻導納物位開關
- 液位顯示控制箱
- 投入式液位變送器
- 80G纜式射頻導納物位開關
- 桿式導波雷達
- 激光雷達料位計
- 連桿浮球液位計
- 靜壓式水準儀
- 河道浮子液位計
- 液位變送器
- 26G粉塵雷達物位計
- 26G高溫雷達物位計
密度計
- GJM-SHJ型石灰漿液在線密度計
- GJM-JJ型酒精在線密度計
- GJM-85管道密度計
- 差壓式密度計
- 分體式密度傳感器
- 濃度計
- 衛生型密度計
- 耐高溫音叉密度計
- 管道式音叉密度計
- 直管密度計
- 便捷式音叉密度計
- GJM-KG型(卡箍安裝形式)音叉式濃度計
- GJM-QFS氫氟酸專用濃度計
- GJM-YS鹽酸專用濃度計
- GJM-LS硫酸專用濃度計
- GJM-YS型鹽酸在線密度計
- GJM-KG型音叉式密度計(卡箍安裝形式)
- GJM-AS型氨水在線密度計
- GJM-XS硝酸專用濃度計
- GJM-NS型尿素濃度計
物聯網無線溫壓變送器
- Cat1無線溫度變送器
- loRa壓力變送器(高溫型)
- NB無線液位變送器
- NB無線溫度變送器
- NB無線壓力變送器
- 電解液無線變送器
- CAT1無線溫濕度變送器
- CAT1無線壓力變送器
- GNSS自動檢測站
- 無線雷達水位計
- 無線流量計
- 無線磁致伸縮液位計
- 無線浮球液位計
- 無線差壓變送器
- 無線溫壓變送器
- 油田專用壓力變送器
高精度壓力表
- 防爆數字壓力表
- 數字壓力控制器
- 計量級數字壓力表
- 精密數字壓力表
- 計量級精密壓力表
- 臺式數字壓力表
- 特殊精密壓力表
- 各類普通壓力表
- 智能數字壓力校驗儀
- 高精度大氣壓力計
- 氣密性測試儀
- 高精度壓力模塊
- 存儲型數字壓力表
流量儀表
- 智能一體式渦街流量計
- 溫壓補償一體化渦街流量計
- 插入式渦街流量計
- 智能氣體渦輪流量計
- MF4003/4008微小氣體流量流量計
- 智能一體式電磁流量計
- 羅茨流量計
- 圓齒輪流量計
- 智能氣體旋進旋渦流量計
- 一體式孔板流量計
- 液晶顯示金屬管轉子流量計
- 就地顯示金屬管轉子流量計
- MF5706/08/12氣體質量流量計
- 手持式超聲波流量計
- 固定外夾式超聲波流量計
- 智能液體渦輪流量計
- 插入式電磁流量計
- 分體式電磁流量計
壓力變送器
熱工校驗儀
- 全自動溫度檢定系統
- 便攜式全自動壓力檢定系統
- 全自動壓力檢定系統
- 高精度溫度顯示儀
- 干體式校驗爐
- 溫度檢定爐
- 恒溫水槽
- 恒溫油槽
- 便攜式熱電偶校驗儀
- 便攜式熱電阻校準儀
- 信號過程校驗儀
- 壓力表檢定附件產品

